Home > Connectors > 3.5MM Phono Jacks > SJ-561
![]() |
![]() |
![]() |
|
![]() |
|
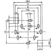
| Dimensions subject to change without notice. | |
Shokai Far East Ltd. 9
Elena Court Cortlandt Manor NY 10567 914-736-3500 Fax: 914-736-3656
E-mail: sales@shokaifareast.com
http://www.shokaifareast.com