Home > Panel Meters > VU Meters > SH-312Y
![]() |
||
![]() |
![]() |
![]() |
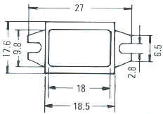
| Dimensions subject to change without notice. | ||
Shokai Far East Ltd.
9 Elena Court Cortlandt Manor NY 10567 914-736-3500 Fax: 914-736-3656
E-mail: sales@shokaifareast.com
http://www.shokaifareast.com