Home > Potentiometers > Magnetic Control Joystick
![]() |
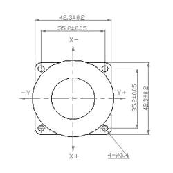
![]()
|
| Electrical Specifications: | |
| Electrical Rating: | 5VDC 20mA |
| Rated Power | 0.1W |
| Return to Center Voltage | 2.5V ± 120mV |
| Output Voltage | 0.5V - 4.5VDC |
| Center Tap Voltage | 2.5V ± 80mV |
| Mechanical Specifications: | |
| Direction of motion: | Circular (360°) |
| Lever Operating Force: | 300 ± 150gf |
| Lever Operating Angle: | 38°± 5° |
| Upward Pull Strength of Handle: | > 1.5Kgf for 3 seconds min. |
| Lever Stopper Strength | > 10 Kgf for 3 seconds min. |
| Life (cycles) | 10,000,000 |
Shokai Far East Ltd.
9 Elena Court Cortlandt Manor NY 10567 914-736-3500 Fax: 914-736-3656
E-mail: sales@shokaifareast.com
http://www.shokaifareast.com